全國免費服務熱線
發展歷程
榮譽資質
領導致辭
企業簡介
精神●中國
技術資料
行業動態
企業新聞
主營產品
耐壓試驗裝置
安全工器具絕緣性能
電纜/線路檢測
變壓器檢測
繼電保護測試儀
蓄電池檢測儀
電阻檢測
避雷器檢測
開關檢測
互感器檢測
六氟化硫檢測
油、化分析儀
無功補償、發電機檢測
進出口儀器
其他
檢驗報告下載
試驗規程下載
說明書下載
廠家選型
應用選型
承修承試選型
客戶建議
售后服務
簡歷下載
招聘要求
招聘職位
公司總部
旗下公司
營業部地址
TRIUMPH THOUGHT,INSPIRE NEW LIFE!
凱迪KDXZ常規串聯諧振耐壓裝置選型表,行業動態,新聞中心,武漢凱迪正大電氣有限公司,凱迪KDXZ常規串聯諧振耐壓裝置選型表
2019-04-12
天成元電氣“集團”公司再次采購3C認證檢測設備,企業新聞,新聞中心,武漢凱迪正大電氣有限公司,天成元電氣“集團”旗下有:山西天成元電氣有限公司、山西天成元電纜有限公司、山西乾成元電力有限公司。天成元電氣購置KDYDJ-5KVA50KV工頻耐壓試驗裝置(油浸式試驗變壓器)一套用于申報3C認證。質量管理體系還需要以下設備:KD2670C二次回路工頻耐壓裝置、KDHL-100回路電阻測試儀、KDGK-F高壓開關動作特性測試儀、KDJB-II繼電保護測試儀、KD2678接地電阻測試儀、KDJF-2010
2019-04-11
KDWS-28冷鏡法SF6氣體露點儀為什么得到鐵路界青睞,技術資訊,新聞中心,武漢凱迪正大電氣有限公司,KDWS-28型便攜式冷鏡法SF6氣體露點儀是我公司和凱迪電力設備研究院基于斯特林制冷原理專門設計用于電力行業全溫區進行SF6氣體微量水分檢測的儀表設備。可以在環境溫小于60℃的各種環境下,以露點±0.2℃的測量精度進行SF6氣體的微量水分檢測。KDWS-28產品測試速度快,性能穩定,重復性好。適用于電力行業SF6新氣,再生氣體,運行氣體及故障氣體的微量水分檢測。為電力行業現場工
國網隴南金寨電站購置我司串聯諧振耐壓試驗裝置,企業新聞,新聞中心,武漢凱迪正大電氣有限公司,3月初,國網隴南金寨110KV變電站交接,需要交接預防性試驗設備一批。隨即王工訂購了全自動變壓器變比測試儀KDB-II、變壓器直流電阻測試儀KDZR-XY、200KV2ma直流高壓發生器KDZG-II、互感器綜合測試儀KDHG-F6、高壓開關機械特性測試儀KDGK-F、變壓器介質損耗測試儀KD600B、有載分接開關測試儀KDKC-2008、270Kva270Kv串聯諧振耐壓試驗裝置KDXZ-II、絕緣電阻
2019-04-10
10kV電壓互感器(空載負載試驗)技術方案由凱迪正大公司提供,技術資訊,新聞中心,武漢凱迪正大電氣有限公司,10kV電壓互感器空載負載試驗校驗技術方案適用范圍:適用于試品10kv及以下電壓互感器空載負載試驗凱迪(KD)互感器檢驗系統配置序號設備名稱設備型號數量設備參數110kV自升壓標準電壓互感器KDHG-G21臺準確度等級:0.05級電壓等級:10kV/√3/100V/√3絕緣方式,干式3控制箱(5kVA)KDX-PD31臺額定容量:3kVA輸入:220V輸出:0
2019-04-05
2019清明節放假安排,企業新聞,新聞中心,武漢凱迪正大電氣有限公司,根據《國務院辦公廳關于2019年部分節假日安排的通知》通知詳情,并結合我司實際,現將清明節放假安排有關事宜通知如下:一、2019年月4日至5日放假調休,共3天。4月8日上班。二、各部門自行妥善安排好放假前工作,并做好安全防范工作。三、放假期間正常上班的部門,應在4月4日上午將值班人員安排表報至綜管部。四、如遇有重大突發事件,迅速啟動應急預案,妥善處理并按規定第一時間上報,確保節日安全。特此通知。武漢凱迪正大電氣有限公司2019
2019-04-04
KDZR-XY三相直流模擬電阻校準裝置操作指南,技術資訊,新聞中心,武漢凱迪正大電氣有限公司,KDZR-XY三相直流模擬電阻校準裝置等效為四端電阻,Io為電流公共端,Ia(10A/50A)、Ib(10A/50A)、Ic(10A/50A)電流端。Uo為電流公共端,Ua、Ub、Uc電壓端子;開機后,儀器進入自檢過程,約4S后才進入正常狀態(如圖)。本儀器開機后,電流檔位選擇:電流檔位是根據被校準儀器電流選擇,被校準儀器在0-10A時電流檔位選擇10A,被檢測電流在10-50A時電流檔位選擇50A檔(
2019-04-03
湖北興屹電氣集團購置二次回路工頻耐壓裝置,企業新聞,新聞中心,武漢凱迪正大電氣有限公司,湖北興屹電氣從事智能化高低壓配電設備、變壓器設備、電力自動化系統的生產。因質檢部需求檢測設備:KD2670C二次回路工頻耐壓裝置、KDGK-F斷路器機械動作特性測試儀、KDXP-1A氣體檢漏儀、KDWS-24高精度微水儀、KDJF-2010手持式局部放電儀、KDHG-A互感器特性綜合測試儀等。在武漢多家電氣廠家對比和多次合作的經歷還是選擇了我們凱迪正大電氣品牌的設備。前面幾次購置的設備服役至今運行良好,年檢送
KDJF-2006局部放電測試儀試驗準備,技術資訊,新聞中心,武漢凱迪正大電氣有限公司,KDJF-2006局部放電測試儀是我公司針對傳統的局部放電檢測儀示波管亮度低、壽命短的問題,新研制的數字式液晶顯示局部放電檢測儀。KDJF-2006局部放電測試儀保持了成熟型號產品檢測靈敏度高,試樣電容覆蓋范圍大,適用試品范圍廣,輸入單元(檢測阻抗)配備齊全,頻帶組合多(九種)的優點。操作、及結構安裝形式與以往型號完全兼容,便于已有系統設備的升級改造。KDJF-2006局部放電測試儀試驗準備1)檢查試驗場地的
2019-04-02
KDYD系列智能工頻耐壓試驗裝置詳細介紹,行業動態,新聞中心,武漢凱迪正大電氣有限公司,KDYD系列智能工頻耐壓試驗裝置是武漢凱迪正大電氣有限公司專業生產銷售KDYD系列智能工頻耐壓試驗裝置,KDYD系列智能工頻耐壓試驗裝置是根據電力行業標準而設計的,性能先進的耐壓試驗設備,用于對各種電器產品、電氣元件、絕緣材料等進行規定電壓下的絕緣強度試驗,以考核產品的絕緣水平,發現被試品的絕緣缺陷,衡量過電壓的能力。
2019-03-28
西安西北電器采購我司開關柜檢測設備,企業新聞,新聞中心,武漢凱迪正大電氣有限公司,西安西北電器從詢價到采購聯系我司有2年的時間,2017年10月份的時候詢價我司10KV開關柜耐壓檢測設備(50kv油浸式試驗變壓器),二次回路工頻耐壓實驗裝置(檢測開關柜抵押電氣的交流耐壓試驗),KDGK-II高低壓開關柜通電試驗臺。由于我司產品質量和元器件的成本高,西北電氣最后選擇了武漢某電氣公司的設備。但是在投運后的一年里不斷是出線故障、多次返修等現象。經質檢部和采購部的意見最終新計劃采購武漢凱迪正大電氣有限公
2019-03-12
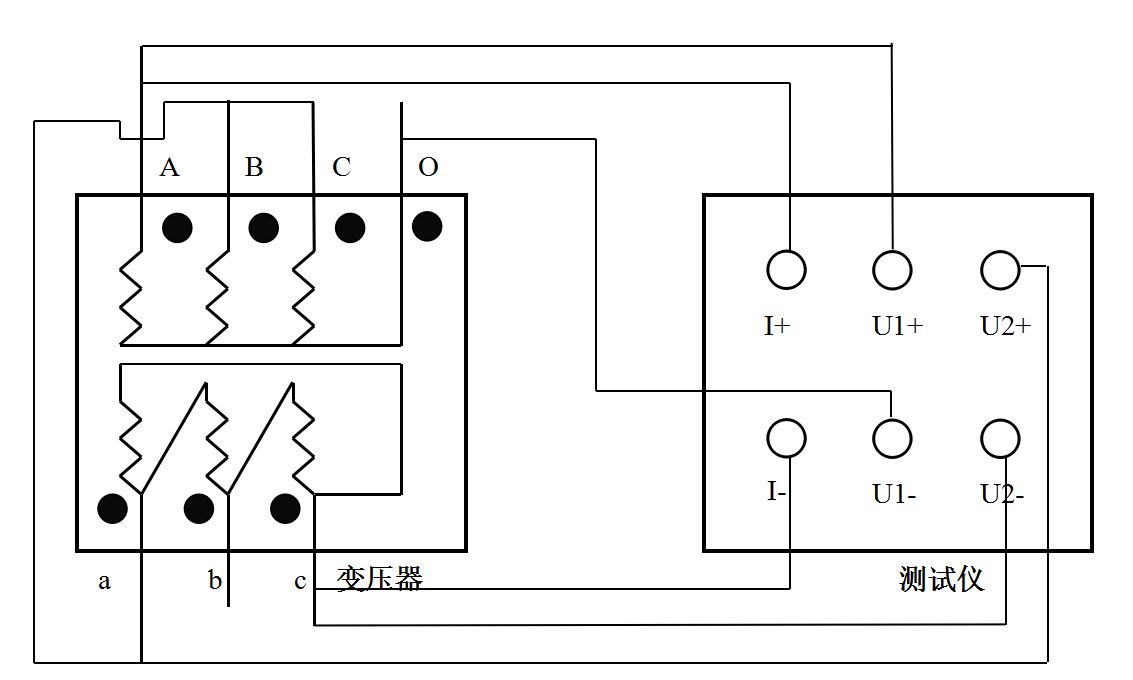
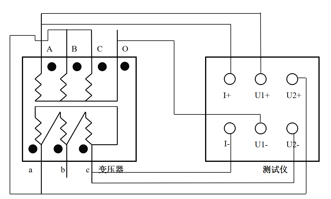
重慶歐旭變壓器采購我司變壓器容量檢測和直流電阻檢測設備,企業新聞,新聞中心,武漢凱迪正大電氣有限公司,以科技為先導的變壓器專業廠家重慶歐旭變壓器有限公司(原重慶慶能電器有限公司)已經是我司合作多年的老客戶,優質的變壓器檢測設備再次獲得歐旭公司的質檢部青睞。之前買過我司的KDYDJ工頻耐壓試驗裝置(5kva50KV油浸式試驗變壓器)一套,用戶國家電網配網變壓器的出廠耐壓檢測,這次購買的KDBR-IV變壓器容量及空負載特性測試儀和KDZR直流電阻測試儀也是用于配網變壓器的出廠質量檢測。國家電網公司的
2019-03-06
KDZR-20L直流電機片間電阻測試儀儀測試與操作方法?,技術資訊,新聞中心,武漢凱迪正大電氣有限公司,KDZR-20L直流電機片間電阻測試儀儀測試與操作方法?1、接線:把專用測試線與本機接線柱連接,連接牢固,同時把地線接好。2、電流選擇:打開電源開關(開關上I為開,O為關)同時顯示屏上會顯示全部電流值,這時可通過選擇鍵對所測試品預置電流進行選擇,每按一下選擇鍵,光標會滾動在各電流值2.5A、5A、10A、20A、40A之間。3、測試:當選擇好電流后,將兩個測量電極放置到被測的兩個片上,按下標有
2019-03-05
東方潤安集團常州東方特鋼公司再次采購直流高壓發生器,企業新聞,新聞中心,武漢凱迪正大電氣有限公司,煙花三月下揚州,武漢東湖的花兒已經開始綻放,春季大地復蘇,綠植開始慢慢的發芽茁壯。常州東方特鋼公司已經多次采購我司試驗設備,KDZG-II直流高壓發生器、KDHX-3200無線語音核相器、KDYDJ工頻交流耐壓試驗裝置等試驗設備。這次訂購一套120KV2ma直流高壓發生器用于35KV及以下避雷器泄漏試驗和電纜直流耐壓試驗。東方潤安集團定位于基礎原材料專業制造,聚焦于鋼鐵核心業務,致力于將企業發展成為
2019-03-01
我司為重慶望變電氣股份公司提供售后服務,企業新聞,新聞中心,武漢凱迪正大電氣有限公司,2017年初,重慶望變電氣公司二期項目投運,采購部肖總致電我司需求采購KDWS-24高精度微水測試儀4臺和絕緣油氫氣測試儀。先后購置多臺檢測設備,我司技術人員多次到訪現場調試和技術支持。時隔2年的時間,微水儀設備的老舊和易損品電池性能的老化。我司作出積極的維護方案和技術支持。重慶望變電氣(集團)股份有限公司由原重慶望江變壓器廠有限公司于2014年股份制改造成立,并于2015年7月30日登陸“新三板”,證券簡稱“
2019-02-28
賀凱迪正大公司獲得中國華電集團電廠級供應商會員,企業新聞,新聞中心,武漢凱迪正大電氣有限公司,自公司成立以來,與國家五大發電集團緊密合作。其中2013年獲得中國華電集團級會員,同年獲得華電哈密風電場優選供應商。此次獲得中國華電集團公司電廠級供應商會員證書,證書編號:ZS10706143.我司獲得華電供應商會員后,多次獲得中標通知書。其中華電南雄“上大壓小”熱電聯產工程(2×35萬千瓦)電氣試驗室設備獲得92萬元中標,華電哈密風電場項目中標金額150萬元,其他華電項目累計1835.8萬
2019-02-27
KDZR-10A直流電阻溫升測試儀性能及接線方法,技術資訊,新聞中心,武漢凱迪正大電氣有限公司,變壓器的直流電阻是變壓器制造中半成品、成品出廠試驗、安裝、交接試驗及電力部門預防性試驗的必測項目,能有效發現變壓器線圈的選材、焊接、連接部位松動、缺股、斷線等制造缺陷和運行后存在的隱患。為了滿足變壓器直流電阻快速測量的需要,公司利用自身技術優勢研制了20A雙通道變壓器直流電阻測試儀。KDZR-10A儀器采用全新電源技術,具有體積小、重量輕、輸出電流大、雙通道測量,實時采樣等特點。整機由單片機控制,自動
2019-02-21
凱迪正大SF6微水測試儀(KDWS-24)技術出售協議以及產品介紹,企業新聞,新聞中心,武漢凱迪正大電氣有限公司,華電南雄“上大壓小”熱電聯產工程(2×35萬千瓦)SF6微水測試儀技術協議凱迪正大SF6微水測試儀(KDWS-24)產品技術出售項目,購買方為廣東華電韶關熱電有限公司,設計方為中國能源建設集團廣東省電力設計研究院有限公司。分別從八個方面進行合作規范,維護雙方的合法權益:1、技術規范2、供貨范圍3、技術資料及交付進度4、分包商/外購部件情況5、供貨時間6、監造、檢驗和性能驗
2019-02-18
凱迪正大直流電阻測試儀使用中常見的問題,技術資訊,新聞中心,武漢凱迪正大電氣有限公司,凱迪正大直流電阻測試儀使用中常見的問題直流電阻測試儀是測量變壓器繞組以及大功率電感設備直流電阻的理想設備。變壓器繞組的直流電阻測試是變壓器在交接、大修和改變分接開關后,必不可少的試驗項目。在實際應用中,用戶難免會遇到一下問題。下面由專業的生產廠家——武漢凱迪正大電氣有限公司為您講解常見的三個問題及處理方法。1.直流電阻測試儀一開機就燒保險。開機燒保險情況需要分兩種情況:5A~10A
便攜式直流高壓發生器對試品進行泄漏及直流耐壓試驗,技術資訊,新聞中心,武漢凱迪正大電氣有限公司,武漢凱迪正大公司研制的便攜式直流高壓發生器,主要部件選用德國、日本、美國等國先進技術的元器件。性能卓越的大功率IGBT器件及其驅動技術的采用,使直流高壓發生器實現了便攜式、高品質,并能承受額定電壓放電而不損壞。便攜式直流高壓發生器是適用于電力部門、發電廠、科研單位、鐵路、廠礦企業動力部門、化工廠等發電機、變壓器、開關、對磁吹避雷器、氧化鋅避雷器、電力電纜等設備進行直流高壓試驗,是新世紀最理想的換代產品
2019-02-15
凱迪正大:使用高壓試驗變壓器做耐壓試驗注意事項,技術資訊,新聞中心,武漢凱迪正大電氣有限公司,凱迪正大:使用高壓試驗變壓器做耐壓試驗注意事項高壓試驗變壓器又名交直流試驗變壓器。交直流試驗變壓器是供電局、發電廠及科研單位等用來做交流耐壓試驗的基本試驗設備,用于對各種絕緣材料、電器元件、電氣產品等進行規定電壓下的工頻耐壓試驗和直流泄漏試驗。交直流試驗變壓器工作原理:將工頻電源輸入操作箱(或操作臺),經自耦調壓器調節電壓輸入至試驗變壓器的初級繞組。根據電磁感應原理,在次級(高壓)繞組可獲得工頻高壓。此
2019-02-14
直流高壓發生器做電纜的直流耐壓有哪些規定?,技術資訊,新聞中心,武漢凱迪正大電氣有限公司,用直流高壓發生器對電纜的主絕緣作直流耐壓試驗或測量絕緣電阻時,應分別在每一相上進行。對一相進行試驗或測量時,其它兩相導體、金屬屏蔽或金屬套和鎧裝層一起接地。試驗結果異常,但根據綜合判斷允許在監視條件下繼續運行的電纜線路,其試驗周期應縮短,如在不少于6個月時間內,經連續3次以上試驗,試驗結果不變壞,則以后可以按正常周期試驗。新敷設的電纜線路投入運行3~12個月,一般應用直流高壓發生器作1次直流耐壓試驗,以后再
2019-02-13
凱迪正大祝開工大吉2019擼起袖子加油干,企業新聞,新聞中心,武漢凱迪正大電氣有限公司,凱迪正大祝開工大吉2019擼起袖子加油干凱迪正大衷心的祝福正月初八,祝福必須發,愿假期的休息帶給你的是精力充沛,愿真心的祝福帶給你的是一年幸福,祝大家開工大吉大利,生意興隆,工作順利,生活永遠美麗!春節的喜慶還未消散,但勤奮的人們已經整裝待發。凱迪正大小伙伴告別了大魚大肉的家宴,重回工作崗位;告別了睡到自然醒的假期,積極進入工作中;告別了有親人和朋友的家鄉,為廣大客戶提供最有價值的試驗設備,踏上新一年的戰場
2019-02-12
35kV電力電纜用串聯諧振耐壓試驗裝置如何接線試驗,技術資訊,新聞中心,武漢凱迪正大電氣有限公司,根據國家最新試驗標準,35kV及以上電力電纜交接試驗需要做1小時耐壓實驗。我們公司的最新產品已經和國家標準同步更新。現對長時間試驗的接線和配置做簡要說明,即先將諧振裝置的電抗器串聯后將諧振裝置的電抗器并聯。參考圖選下圖8-2。在2006年DL/T596電力設備預防性試驗規程新增交流耐壓試驗,其中電纜交流耐壓試驗,Q/GXD126.01-2006《電力設備交接和預防性試驗規程》已明確在電力電纜的交接試
2019-01-28
KDZR-XY模擬直流電阻標準器(回路電阻測試儀校驗裝置),技術資訊,新聞中心,武漢凱迪正大電氣有限公司,KDZR-XY模擬直流電阻標準器產品概述KDZR-XY是一款可精確模擬直流標準電阻的儀器,范圍:1.0000μΩ~200.000Ω,準確度為0.02/0.05級可選,適用于校準回路電阻測試儀、直流電阻測試儀、及其他直流低阻儀器。參考標準:JJG1052-2009《回路電阻測試儀、直阻儀檢定規程》、DL/T967-2005《回路電阻測試儀與直流電阻快
2019-01-26
掃碼 關注我們
掃碼 在線溝通
027-83551828